1550 nm 25db SOA puslaidininkių optinis stiprintuvas
  • 1550 nm 25db SOA puslaidininkių optinis stiprintuvas 1550 nm 25db SOA puslaidininkių optinis stiprintuvas
  • 1550 nm 25db SOA puslaidininkių optinis stiprintuvas 1550 nm 25db SOA puslaidininkių optinis stiprintuvas
  • 1550 nm 25db SOA puslaidininkių optinis stiprintuvas 1550 nm 25db SOA puslaidininkių optinis stiprintuvas
  • 1550 nm 25db SOA puslaidininkių optinis stiprintuvas 1550 nm 25db SOA puslaidininkių optinis stiprintuvas

1550 nm 25db SOA puslaidininkių optinis stiprintuvas

1550 nm 25dB SOA puslaidininkių optinio stiprintuvo produktų serija pirmiausia naudojama optinio signalo amplifikacijai ir gali žymiai padidinti išvesties optinę galią. Produktai pasižymi dideliu padidėjimu, maža galia Vartojimo ir poliarizacijos priežiūra, be kitų savybių, ir yra visiškai apdorojami, naudojant šalies vidaus kontroliuojamą technologiją.

Siųsti užklausą

Prekės aprašymas

1550 nm 25dB SOA puslaidininkių optinio stiprintuvo produktų serija pirmiausia naudojama optinio signalo amplifikacijai ir gali žymiai padidinti išvesties optinę galią. Produktai, be kitų savybių, pasižymi dideliu padidėjimu, maža energijos suvartojimu ir poliarizacijos priežiūra ir yra visiškai apdorojami naudojant šalies nacionalinę valdomą technologiją.


Savybė

● 40 g ir 100 g C juostos blokavimo užraktas ar moduliacija;
● 14 vnt drugelių paketas;
● Žemo triukšmo figūra ir mažos poliarizacijos priklausomybė;
● PM1550 pluoštas su FC/APC jungtimi.
● Patikimumas: „Telcordia GR-468“. Rohs


Paraiška

● Prekybos kompensacija už pluošto optinį ryšį ir jungiklį
● WDM pluošto optiniai tinklai;
● MOPA (Pagrindinio oscilatoriaus galios stiprintuvas) Lazeris;


Elektro-optinės charakteristikos (t = 25 ℃)

Parametras Simbolis Sąlyga Min. Tip. Maks. Vienetas
Veikiantis bangos ilgis lpeak 25 ℃, kaištis = 0dbm - 1550 - nm
ASE centro bangos ilgis tegul 25 ℃, jei = 1000MA - 1490 - nm
-3db padidėjimo pralaidumas ΔL PIN = -10dbm, jei = 1000MA - 100 - nm
Prisotinimo optinė galia PMAX Jei = 1000MA,
PIN = 5DBM@1550NM
- 23 - DBM
Mažas signalo padidėjimas SSG Jei = 1000MA,
PIN = -25DBM@1550NM
30 35 - db
Veikimo srovė Jei - - 1000 1200 Ma
Į priekį įtampa Vf - - 2.4 2.6 V
Triukšmo figūra Nf 25 ℃, jei = 1000MA, @1550 nm - 6 8 db
Išjungimo išnykimo racionas Yra Jei = 1000MA/jei = 0MA,
PIN = 0dbm
- 35 - db
TEC srovė LTEC - - - 1.8 A
TEC įtampa VTEC - - 400 3.4 V
Termistoriaus rezidencija RTHERM T = 25 ℃ 9.5 10 10.5
Termistoriaus srovė LTHERM - -2 - 5 Ma
Bendra galia P - - - 4 w
Veikimo atvejo temperatūra Viršus I = jei -10 - 70
Sandėliavimo temperatūra Ts - -40 - 85


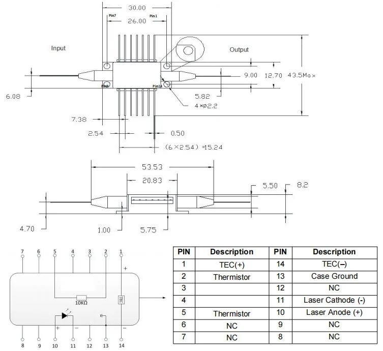
Pakuotės piešimo ir kaiščių apibrėžimas (vienetas: mm):

1550nm 25db Soa Semiconductor Optical Amplifier


Tipinė charakteristinė kreivė

1550nm 25db Soa Semiconductor Optical Amplifier

1550nm 25db Soa Semiconductor Optical Amplifier


Pristatykite, pristatykite ir patiekite

Visi produktai buvo išbandyti prieš išsiunčiant;

Visiems produktams garantija yra 1 metų. (Po kokybės garantijos laikotarpio pradėjo imti tinkamą priežiūros paslaugų mokestį.)

Mes vertiname jūsų verslą ir siūlome greitą 7 dienų grąžinimo politiką. (7 dienos po daiktų gavimo);

Jei daiktai, kuriuos perkate iš mūsų parduotuvės, nėra tobulos kokybės, tai yra tai, kad jie neveikia elektroniniu būdu gamintojo specifikacijoms, tiesiog grąžinkite juos mums pakeisti ar grąžinti pinigus;

Jei daiktai yra sugedę, praneškite mums per 3 dienas nuo pristatymo;

Bet kokie daiktai turi būti grąžinti pradine būkle, kad būtų galima gauti grąžinimą ar pakeitimą;

Pirkėjas yra atsakingas už visas patirtas pristatymo išlaidas.


1550nm 25db Soa Semiconductor Optical Amplifier


DUK

Kl.: Koks jums reikalingas bangos ilgis?

A: Mes turime 1550NM 1310NM 1270NM 1060NM SOA lazerio diodą.


Kl.: Koks yra išvesties galios reikalavimas?

A: „Box“ optronika gali pritaikyti pagal jūsų reikalavimus.


Hot Tags: 1550NM 25db SOA puslaidininkių optinis stiprintuvas, gamintojai, tiekėjai, didmeninė prekyba, gamykla, pritaikyta, tūrinė, Kinija, pagaminta Kinijoje, pigi, maža kaina, kokybė

Susijusi kategorija

Siųsti užklausą

Nedvejodami pateikite savo užklausą žemiau esančioje formoje. Mes jums atsakysime per 24 valandas.
X
Naudojame slapukus siekdami pasiūlyti geresnę naršymo patirtį, analizuoti svetainės srautą ir suasmeninti turinį. Naudodamiesi šia svetaine sutinkate su mūsų slapukų naudojimu. Privatumo politika
Atmesti Priimti