1060nm 25db SOA puslaidininkių optinis stiprintuvas
  • 1060nm 25db SOA puslaidininkių optinis stiprintuvas 1060nm 25db SOA puslaidininkių optinis stiprintuvas
  • 1060nm 25db SOA puslaidininkių optinis stiprintuvas 1060nm 25db SOA puslaidininkių optinis stiprintuvas
  • 1060nm 25db SOA puslaidininkių optinis stiprintuvas 1060nm 25db SOA puslaidininkių optinis stiprintuvas
  • 1060nm 25db SOA puslaidininkių optinis stiprintuvas 1060nm 25db SOA puslaidininkių optinis stiprintuvas

1060nm 25db SOA puslaidininkių optinis stiprintuvas

1060NM 25dB SOA puslaidininkių optinio stiprintuvo produktų serija pirmiausia naudojama optinio signalo amplifikacijai ir gali žymiai padidinti išvesties optinę galią. Produktai pasižymi dideliu padidėjimu, maža galia Vartojimo ir poliarizacijos priežiūra, be kitų savybių, ir yra visiškai apdorojami, naudojant šalies vidaus kontroliuojamą technologiją.

Siųsti užklausą

Prekės aprašymas

1060NM 25dB SOA puslaidininkių optinio stiprintuvo produktų serija pirmiausia naudojama optinio signalo amplifikacijai ir gali žymiai padidinti išvesties optinę galią. Produktai, be kitų savybių, pasižymi dideliu padidėjimu, maža energijos suvartojimu ir poliarizacijos priežiūra ir yra visiškai apdorojami naudojant šalies nacionalinę valdomą technologiją.


Savybė

● 14 vnt drugelių paketas;
● Žemo triukšmo figūra ir mažos poliarizacijos priklausomybė;
● SMF-28E pluoštas su FC/APC jungtimi.
● Patikimumas: „Telcordia GR-468“. Rohs


Paraiška

● Prekybos kompensacija už pluošto optinį ryšį ir jungiklį
● Medicininė UŠT;
● Smulkinimo dažnio šaltinis, suderinamas lazeris;

Elektro-optinės charakteristikos (t = 25 ℃)

Parametras Simbolis Sąlyga Min. Tip. Maks. Vienetas
Veikiantis bangos ilgis lpeak 25 ℃, kaištis = 0dbm - 1060 - nm
ASE centro bangos ilgis tegul 25 ℃, jei = 400m - 1070 - nm
-3db padidėjimo pralaidumas ΔL PIN = -20dbm - 50 - nm
Prisotinimo optinė galia PMAX Jei = 400MA,
PIN = 5dbm@1060nm
- 15 - DBM
Mažas signalo padidėjimas SSG Jei = 400MA,
PIN = -25DBM@1060NM
- 25 - db
Nuo poliarizacijos priklausomas padidėjimas Generalinis direktorius 25 ℃, jei = 400m db
Veikimo srovė Jei - 20 - - Ma
Į priekį įtampa Vf - - 400 600 V
Triukšmo figūra Nf 25 ℃, jei = 400MA, @1060nm - - 2.0 db
TEC srovė LTEC - - - 1.8 A
TEC įtampa VTEC - - 10 3.4 V
Termistoriaus rezidencija RTHERM T = 25 ℃ 9.5 10 10.5
Termistoriaus srovė LTHERM - - - 5 Ma
Bendra galia P - - - 4 w
Veikimo atvejo temperatūra Viršus I = jei -10 - 70
Sandėliavimo temperatūra Ts - -40 - 85


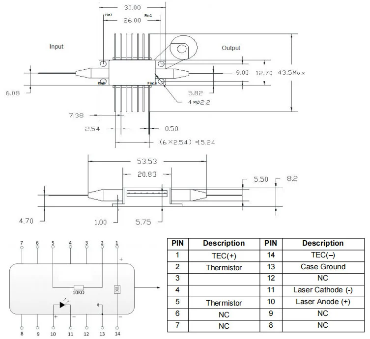
Pakuotės piešimas ir kaiščių apibrėžimas (vienetas: mm)

1060nm 25db Soa Semiconductor Optical Amplifier


Tipinė charakteristinė kreivė

1060nm 25db Soa Semiconductor Optical Amplifier


Pristatykite, pristatykite ir patiekite

Visi produktai buvo išbandyti prieš išsiunčiant;

Visiems produktams garantija yra 1 metų. (Po kokybės garantijos laikotarpio pradėjo imti tinkamą priežiūros paslaugų mokestį.)

Mes vertiname jūsų verslą ir siūlome greitą 7 dienų grąžinimo politiką. (7 dienos po daiktų gavimo);

Jei daiktai, kuriuos perkate iš mūsų parduotuvės, nėra tobulos kokybės, tai yra tai, kad jie neveikia elektroniniu būdu gamintojo specifikacijoms, tiesiog grąžinkite juos mums pakeisti ar grąžinti pinigus;

Jei daiktai yra sugedę, praneškite mums per 3 dienas nuo pristatymo;

Bet kokie daiktai turi būti grąžinti pradine būkle, kad būtų galima gauti grąžinimą ar pakeitimą;

Pirkėjas yra atsakingas už visas patirtas pristatymo išlaidas.


1060nm 25db Soa Semiconductor Optical Amplifier


DUK

Kl.: Koks jums reikalingas bangos ilgis?

A: Mes turime 1550NM 1310NM 1270NM 1060NM SOA lazerio diodą.


Kl.: Koks yra išvesties galios reikalavimas?

A: „Box“ optronika gali pritaikyti pagal jūsų reikalavimus.


Hot Tags: 1060NM 25dB SOA puslaidininkių optinis stiprintuvas, gamintojai, tiekėjai, didmeninė prekyba, gamykla, pritaikyta, tūrinė, Kinija, pagaminta Kinijoje, pigi, žema kaina, kokybė

Susijusi kategorija

Siųsti užklausą

Nedvejodami pateikite savo užklausą žemiau esančioje formoje. Mes jums atsakysime per 24 valandas.
X
Naudojame slapukus siekdami pasiūlyti geresnę naršymo patirtį, analizuoti svetainės srautą ir suasmeninti turinį. Naudodamiesi šia svetaine sutinkate su mūsų slapukų naudojimu. Privatumo politika
Atmesti Priimti