Didelės galios 1653,7 nm lazerinis modulis naudoja plokštuminę konstrukciją su lustu ant antrinio nešiklio. Aukštasis maitinimo mikroschema yra hermetiškai uždaryta 14 kontaktų drugelio pakuotėje, kurioje nėra epoksidinių oksidų ir srauto, ir įrengtas termistorius, termoelektrinis aušintuvas ir monitoriaus diodas, užtikrinantys aukštos kokybės lazerio veikimą. 1653nm 40mW BTF lazerinis diodas metano dujų aptikimui yra Telcordia GR-468 kvalifikuotas ir atitinka RoHS direktyvas.
Didelės galios 1653,7 nm lazerinis modulis naudoja plokštuminę konstrukciją su lustu ant antrinio nešiklio. Didelės galios lustas yra hermetiškai uždarytas 14 kontaktų drugelio pakuotėje, kurioje nėra epoksidinės dervos ir srauto, ir jame yra termistorius, termoelektrinis aušintuvas ir monitoriaus diodas, kad būtų užtikrintas aukštos kokybės lazerio veikimas. Mūsų lazeriniai gaminiai atitinka Telcordia GR-468 reikalavimus ir atitinka RoHS direktyvas.
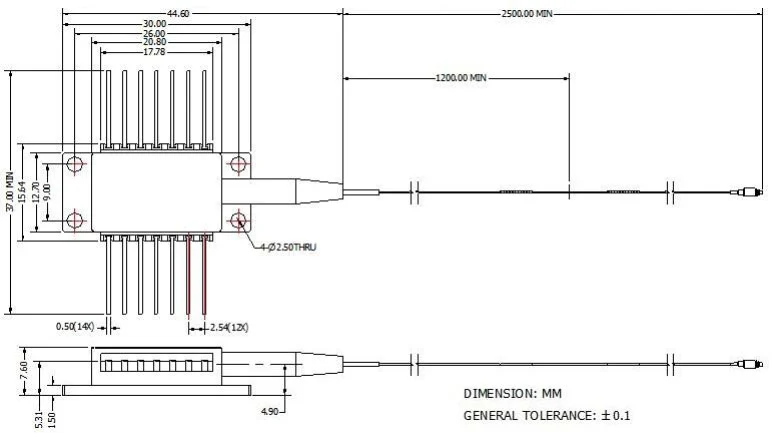
● Pramonės standartas 14 kontaktų drugelių paketas;
● Integruotas TEC ir optinis izoliatorius;
● Didelio našumo daugiakvantinio šulinio (MQW) paskirstytojo grįžtamojo ryšio (DFB) lazeris.
● Pasyviųjų dujų aptikimo komponentų gamybos bandymai;
● Skaidulinių dujų aptikimo sistema;
● Lazeriniai šaltiniai.
| Parametras | Simbolis | Būklė | Min. | Tip. | Maks. | Vienetas |
| Centrinis bangos ilgis | lc | Tl = 15 ~ 35 ℃ qu | 1652.7 | 1653.7 | 1654.7 | nm |
| Optinė išėjimo galia | Po to | CW | - | 40 | - | mW |
| LD slenkstinė srovė | ITH | CW | - | 15 | 40 | mA |
| LD Priekinė srovė | Jeigu | Pf = vardinė galia | - | 300 | 400 | mA |
| Optinė izoliacija | - | -10 < TC < +70 ℃ | 30 | - | - | dB |
| Šoninio režimo slopinimo koeficientas | SMSR | CW | 35 | 40 | - | dB |
| Stebėti reakciją | Vakcinacija | - | - | 1 | 20 | buvo / mw |
| Stebėkite atsako stabilumą | - | - | - | - | 20 % | - |
| Stebėkite tamsią srovę | Id | VPD = 5V | - | - | 50 | nA |
| TEC srovė | ITEC | Tcase = 75 ℃ | - | - | 2 | A |
| TEC įtampa | VTEC | Tcase = 75 ℃ | - | - | 3.5 | V |
| TEC energijos suvartojimas | P | Tstg = 25 ℃ | - | - | 5 | W |
| Termistoriaus varža | Rth | Tcase = 75 ℃ | 9.5 | 10 | 10.5 | Kohm |
| Termistoriaus B konstanta | Bth | Tstg = 25 ℃ | - | 3900 | - | K |
| Bangos ilgio poslinkis (EOL) | △λ | Išbandyta per 25 metus | - | - | ±0,1 | nm |
| Banga. Temperatūros koeficientas | Dl/Dt | TEC temperatūra nuo 15 ℃ iki 35 ℃ | - | 0.09 | - | nm/℃ |
| Bangos ilgis Srovės koeficientas | Dl/DI | - | - | 0.01 | - | NM / in |

Visi gaminiai buvo išbandyti prieš išsiunčiant;
Visiems gaminiams suteikiama 1 metų garantija. (Pasibaigus kokybės garantijos laikotarpiui, pradėtas taikyti atitinkamas priežiūros paslaugos mokestis.)
Vertiname jūsų verslą ir siūlome greitą 7 dienų grąžinimo politiką. (7 dienos po prekių gavimo);
Jei mūsų parduotuvėje įsigytos prekės nėra tobulos kokybės, ty neveikia elektroniniu būdu pagal gamintojo specifikacijas, tiesiog grąžinkite jas mums, kad galėtume pakeisti arba grąžinti pinigus;
Jei prekės yra sugedusios, praneškite mums per 3 dienas nuo pristatymo;
Visos prekės turi būti grąžintos jų pradinės būklės, kad būtų galima grąžinti pinigus arba pakeisti juos;
Pirkėjas yra atsakingas už visas patirtas siuntimo išlaidas.
K: Koks yra bangos ilgio tikslumas?
A: +/-0,5 nm.
K: Ar turite kitų išėjimo galios versijų?
A: 10mW, 15mW, 50mW.
C juostos siauros linijos pločio integruotas derinamas lazerinis mazgas ITLA
1550nm 40mW 200Khz siauros linijos DFB drugelio lazerinis diodas
1550nm 40mW 600Khz DFB Butterfly paketas siauros linijos pločio lazerinis diodas
1550nm 50mW 100Khz siauros linijos DFB drugelio lazerinis diodas
1550nm 2mW 5mW siauros linijos pločio bendraašis lazerinis diodas
1550NM 100MW 100KHz Siauros linijos pločio DFB lazerio diodas BTF su SM/PM pluoštuAutorinės teisės @ 2020 „Shenzhen Box Optronics Technology Co., Ltd.“ - Kinijos pluošto optinių modulių, pluošto sujungtų lazerių gamintojų, lazerinių komponentų tiekėjų visos teisės saugomos.